Калитка механическая К11Т | Антикражка.ру - профессионалы по защите товаров от краж
Антикражка.ру - противокражные системы, антивор для магазинов,защита от краж     
+7 (903) 552-95-64
 
 anti.krazhka@yandex.ru
заказать звонок
   
     
    Корзина для покупок
    Моя корзина
    Товаров в корзине: 0
    Оформить заказ!
     






















    src="../../../../../web.redhelper.ru/service/maine1a7.js?c=antikrajka">
    Артикул: 4422029 версия для печатиРаспечатать

    Калитка механическая К11Т



    Тип турникета: калитка
    Ширина перекрываемого прохода: 850 мм
    Высота прохода: 915 мм
    Диапазон рабочих температур, C: от +1 C до +50 С
    Гарантия: 1 год
     
    кол-во цена с НДС
    1+ 8'395,11
    6+ 8'124,30
    10+ 7'943,76
    Количество  
    Сумма   
     
    ДОБАВИТЬ В КОРЗИНУ
     

    Вы можете заказать доставку для "Калитка механическая К11Т" в любой город России (и в некоторые другие страны) Подробнее о доставке


    Назначение

    Хорошо подходит для магазинов с ограниченным бюджетом - дискаунтеров, магазинов "шаговой" доступности.

     

     

    Подробное описание

    Самая простая из механических калиток с механическим доводчиком. Калитка дешевле аналогичных польских и турецких аналогов и в то же время значительно надежнее и элегантнее.
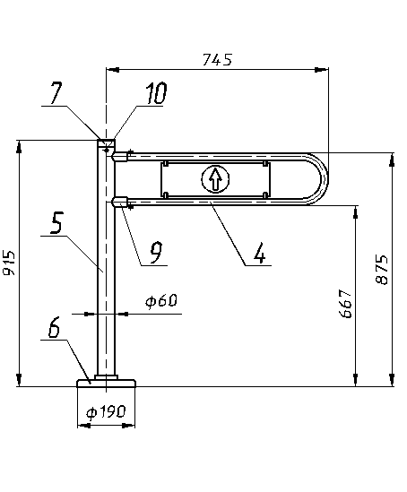
    Калитка представляет собой вертикальную стойку из хромированной трубы диаметром 60 мм и высотой 915 мм. Внизу стойки расположен фланец диаметром 190 мм, на котором имеются 3 отверстия диаметром 11мм для крепления стойки калитки к полу. Сверху фланец закрывается декоративным колпаком из нержавеющей стали, скрывающим фланец и крепежные болты.
    Оригинальной особенностью калитки является применение резинового демпфера, расположенного внизу стойки на фланце. Этот демпфер обеспечивает остановку дуги после закрытия без удара и без раскачивания стойки, долговечную работу калитки. Так как корпус калитки вращается вместе с дугой, то ограждения непосредственно к стойке не присоединяются.
    Калитка укомплектована дугой из нержавеющей стали с пластиковой вставкой. Ширина калитки с установленной дугой - 850мм. Диаметр трубы из которой сделана дуга - 25мм. Стандартный размер дуги - 700х183мм. При необходимости возможно изготовление дуг других размеров. Дуга крепится к стойке калитки с помощью узла, представляющего собой два прочных стальных стержня диаметром 21.5 мм, на которые дуга одевается и фиксируется винтами М8.
    Материал из которого изготовлена вставка в стандартном варианте - ПВХ пластик белого цвета, толщиной 4мм. На вставке нанесены информационные знаки: с одной стороны изображена белая стрелка на синем круге, на другой стороне - белый прямоугольник на красном круге. Знаки наносятся методом шелкографии. Сверху на изображение наклеивается защитная прозрачная пленка.


    Функции.

    Калитки выпускаются правые и левые. Дуга правой калитки К11Тпр поворачивается только в одну сторону, по часовой стрелке (при виде сверху). Дуга левой калитки К11Тлв - против. При попытке пройти в обратном направлении дуга представляет собой преграду.

     

    Схема:

    Схема

     

    Технические характеристики

    Ширина перекрываемого прохода 850мм
    Допустимые статические усилия на середине преграждающей дуги, не более 60кгс
    Рабочий температурный диапазон от +1 °C до +50 °C
    Габаритные размеры 915х850х190 мм
    Вес 15 кг

     

    Комплект поставки

    • стойка калитки 1 шт.
    • дуга с пластиковой вставкой белого цвета 1 шт.
    • Паспорт. Руководство по эксплуатации 1 шт.

    По отдельному заказу:

    1. Стойка калитки может быть изготовлена из нержавеющей стали.
    2. Может быть уличного исполнения для температурного диапазона от -30ºС до +50ºС.
    3. Преграждающие дуги нестандартной длины.
    4. Вставки для дуг могут быть изготовлены из любого материала - закаленного стекла, цветного пластика, нержавеющей стали и др.
    5. Замок под английский ключ или штыревой стопор – для замыкания калитки в положении дуги «проход закрыт», или «проход открыт», или в обоих этих положения.

     


    ЗАКАЗАТЬ КОНСУЛЬТАЦИЮ
       
    ДОБАВИТЬ В КОРЗИНУ


    АНТИКРАЖКА.ру - это:

    
Антикражные системы предназначены для предотвращения выноса неоплаченного товара посетителями магазина. На выходе из магазина (или, например, библиотеки) устанавливаются антикражные ворота. Товар защищается с помощью этикеток или бирок.
    Противокражные системы
    
Завершить систему безопасности магазина, оборудованного противокражными системами и системой видеонаблюдения, позволяют обзорные сферические зеркала. Устанавливаются в местах с ограниченным обзором: кассовых проходах, торговых залах, складах и др. и упрощают наблюдение труднообозримого пространства.
    Обзорные зеркала
    
Счетчики посетителей устанавливаются на входе или выходе из помещения и применяются для подсчета числа посетителей в бутиках, магазинах, выставочных центрах.

Счетчики числа посетителей предназначены для анализа успешности продаж или маркетинговых мероприятий и позволяют собирать информацию о количестве вошедших и вышедших покупателей за определенный промежуток времени.
    Счётчики посетителей магазина
    
Системы защиты товара на витринах в открытой выкладке - самый эффективный способ защиты мелких дорогих товаров от краж.

Системы позволяют ставить на охрану любой товар, независимо от габаритов, формы и материала.

Системы защиты товара на полках просты в установке и не требуют соблюдения особых технических условий.

Особенно эффективны для защиты товаров бытовой техники и электроники, сотовых телефонов, видеокамер, ноутбуков и других подобных дорогих товаров
    Системы защиты товара на стеллажах
    
Защитный сейфер, или бокс - это прозрачная коробка, изготовленная из прозрачного пластика, снабженная специальным замком. Внутри коробки находится противокражная этикетка или датчик. В коробку закрывается товар, после чего коробка ставится на полку. Покупатели могут повертеть товар в боксе в руках, но не смогут его унести с собой - сработает противокражная система на выходе. С помощью сейферов защищают картриджи, бритвенные станки, продукты, парфюмерию, косметику, медицинские товары, mp3 плееры, CD, DVD диски, компьютерные приставки, iPod и т.д. New: Подбор сейфера по размеру!
    Защитные боксы (сейферы)
    
Система видеонаблюдения - важный элемент системы безопасности магазина. Видеоизображение с видеокамер с помощью видеорегистраторов или видеосерверов записывается и выводится на видеомонитор. Даже если нет специально выделенного человека для постоянного наблюдения в реальном времени, просмотр записанной ситуации позволит решить спорную ситуацию или определить причину недостачи.
    Системы видеонаблюдения
    
Ограждения для магазинов позволяют формировать проходы в торговых точках и регулировать движение покупателей.

Калитки для магазинов устанавливаются обычно в зонах входа/выхода в магазинах и супермаркетах.
    Ограждения в магазин. Калитки. Турникеты.
     

    доставкаДоставляем антикражные системы и расходные материалы, зеркала дорожные и для помещений, сейферы и другие товары
    по Москве, России и Таможенному союзу!


    ЗАКАЗЫВАЙТЕ ЗВОНОК, звоните +7 (903) 552-95-64, пишите anti.krazhka@yandex.ru

     

    СПЕЦПРЕДЛОЖЕНИЯ

    РЕКЛАМНЫЕ ПАНЕЛИ

    Крышки (чехлы) для антикражных ворот Рады предложить рекламные чехлы (панели) для антикражных ворот. На них можно расположить логотип, информацию о скидках.
    Недорого. Например, чехол с прикаткой на гофрокартон, отпечатанного на бумаге с разрешением 720 dpi и глянцевой ламинацией плаката 1600x110x630mm, стоит около 1900руб. подробнее


    НОВИНКИ

    Деактиватор этикеток радиочастотный Пролайт (ProLight), бесконтактный (при оплате без НДС)Деактиватор этикеток радиочастотный Пролайт (ProLight), бесконтактный (при оплате без НДС)

    Деактиватор Пролайт предназначен для бесконта...>

     
    Фиксатор товаров на крючках Стоп Лок Черный (STOPLOK), 6 ммФиксатор товаров на крючках Стоп Лок Черный (STOPLOK), 6 мм

    Замок Stop Lock Чёрный - хороший вариант для ...>

     
    Фиксатор товаров на крючках Стоп Лок Черный (STOPLOK), 4 ммФиксатор товаров на крючках Стоп Лок Черный (STOPLOK), 4 мм

    Замок Stop Lock Чёрный - хороший вариант для ...>

     


    МЫ ПРЕДЛАГАЕМ

    Калитка механическая К10 НЕРЖКалитка механическая К10 НЕРЖ
     
    Крючки для экономпанелей, без защитыКрючки для экономпанелей, без защиты
     
    Готовое решение видео 4-3 (4 цифровых IP-видеокамеры) Готовое решение видео 4-3 (4 цифровых IP-видеокамеры)
     


    А ЗНАЕТЕ ЛИ ВЫ, ЧТО

    В настоящее время компания Sensormatic (США) предлагает комбинированную технологию EAS-RFID, что позволяет одновременно защищать товар и использовать метки для инвентаризации и обеспечения складских операций.


     
    © 2006-2019 АНТИКРАЖКА.РУ - Защита товара, противокражные зеркала безопасности, антикражные ворота для бизнеса. Все права охраняются законом.  Политика конфиденциальности
     
    Консультант по выбору антикражной системы